HR高溫高壓圓盤式疏水閥

HR高溫高壓圓盤式疏水閥

  • 質量穩定
  • 價格合理
  • 交貨快捷
  • 泰通閥門為您提供全套工程閥門解決方案
  • 銷售:021-6810 3333    6139 0811
  • 傳真:021-5168 6322
  • 地址:上海南匯空港工業區金聞路1288號

詳細介紹

產品特點
閥內部裝有自動吹除裝置。新型皇冠式閥片、密封極為可靠。蒸汽保溫裝置,高效節能。可迅速排出設備起動時的空氣殛冷凝結水、排量大、漏汽率小。

結構特點
1、閥內部裝有自動吹除裝置。新型皇冠式閥片、密封極為可靠。蒸汽保溫裝置,高效節能。
2、可迅速排出設備起動時的空氣殛冷凝結水、排量大、漏汽率小。
3、抗蝕性強.動作可靠,經久耐用。
4、在工作壓力范圍內,無需調整,節能效果顯著。

主要用途
用于高溫高壓的飽和和蒸汽主管和透平機的蒸汽亞臨界狀態使用。

產品型號

口徑

連接方式

最高允許溫度℃

閥體材質

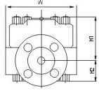
外形尺寸

L

H1

H2

W

HRF3

15

法蘭

500

WC6

230

78

35

135

20

法蘭

500

WC6

230

78

35

135

25

法蘭

500

WC6

230

78

35

135

HRF3

15

承插焊

500

WC6

130

78

35

135

20

承插焊

500

WC6

130

78

35

135

25

承插焊

500

WC6

130

78

35

135

HRF3

15

內螺紋

500

WC6

130

78

35

135

20

內螺紋

500

WC6

130

78

35

135

25

內螺紋

500

WC6

130

78

35

135

HRF150
CS49H60V

15

法蘭

500

WC6

130

122

58

228

20

法蘭

500

WC6

400

122

58

228

25

法蘭

500

WC6

400

122

58

228

32

法蘭

500

WC6

400

122

58

228

40

法蘭

500

WC6

400

122

58

228

50

法蘭

500

WC6

400

122

58

228

HR69H60V

15

承插焊

500

WC6

220

122

58

228

20

承插焊

500

WC6

220

122

58

228

25

承插焊

500

WC6

220

122

58

228

32

承插焊

500

WC6

320

122

58

228

40

承插焊

500

WC6

320

122

58

228

50

承插焊

500

WC6

320

122

58

228

產品結構
溫馨提示:“HR高溫高壓圓盤式疏水閥”所有文字、數據、圖片均只適用于參考。
如需與實物相吻合的性能參數、結構尺寸參數等詳情請來電來函索取。
電話:021-68103333    傳真:021-51686322
  • 泰通二維碼掃一掃關注我們
  • 聯系我們
  • 公司地址:上海南匯空港工業區金聞路1288號
  • 浙江基地:溫州甌北東甌工業區
  • 銷售:021-68103333 
  • 郵箱:shttv@qq.com
© 2017 上海泰通閥門有限公司 版權所有 滬ICP備11033150號
Top

[關閉]免費接聽泰通銷售工程師電話

輸入手機或固定電話號碼,點擊“免費咨詢”按鈕后,
我們的服務人員會在15秒內回撥您。

手機請直接輸入:如 13878800000
座機前請加區號:如 02168103333
我們已對本次通話全程加密,您的通話費用我們已經幫您支付,請放心接聽!
免費通話所產生的費用由我們來支付,請放心接聽!
銷售熱線:021-6810 3333