JD745X隔膜式

JD745X隔膜式

  • 質量穩定
  • 價格合理
  • 交貨快捷
  • 泰通閥門為您提供全套工程閥門解決方案
  • 銷售:021-6810 3333    6139 0811
  • 傳真:021-5168 6322
  • 地址:上海南匯空港工業區金聞路1288號

詳細介紹

產品概述
隔膜式多功能水泵控制閥是安裝在高層建筑給水系統以及其他給水系統的水泵出口處、防止介質倒流、水錘以及水擊現象的智能型閥門。該閥兼具電動閥、逆止閥和水錘消除器三種功能,可有效地提高供水系統的安全可靠性。并將緩開、速閉、緩閉消除水錘的技術原理一體化,防止開泵水錘和停泵水錘的產生。只需操作水泵電機啟閉按鈕,閥門即可按照水泵操作規程自動實現啟閉,流量大、壓力損失小、隔膜式適用于600口徑以下的閥門。

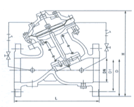
主要外形連接尺寸 單位:mm

DN
50
65
80
100
125
150
200
250
300
350
400
450
500
600
L
205
216
250
320
365
415
500
605
698
787
914
978
978
1150
H
293
328
364
418
481
543
673
729
927
957
1188
1218
1256
1600

產品尺寸

溫馨提示:“JD745X隔膜式”所有文字、數據、圖片均只適用于參考。
如需與實物相吻合的性能參數、結構尺寸參數等詳情請來電來函索取。
電話:021-68103333    傳真:021-51686322
  • 泰通二維碼掃一掃關注我們
  • 聯系我們
  • 公司地址:上海南匯空港工業區金聞路1288號
  • 浙江基地:溫州甌北東甌工業區
  • 銷售:021-68103333 
  • 郵箱:shttv@qq.com
© 2017 上海泰通閥門有限公司 版權所有 滬ICP備11033150號
Top

[關閉]免費接聽泰通銷售工程師電話

輸入手機或固定電話號碼,點擊“免費咨詢”按鈕后,
我們的服務人員會在15秒內回撥您。

手機請直接輸入:如 13878800000
座機前請加區號:如 02168103333
我們已對本次通話全程加密,您的通話費用我們已經幫您支付,請放心接聽!
免費通話所產生的費用由我們來支付,請放心接聽!
銷售熱線:021-6810 3333